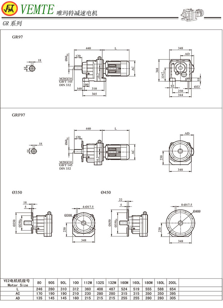
這是DLR06齒輪減速機以及DLRF06系列齒輪減速電機的型號以及安裝尺寸圖紙
| DLR06DM80M1 | DLRF06DM180M | DLRF06DM80M1 |
| DLR06DM80M2 | DLRF06DM180L | DLRF06DM80M2 |
| DLR06DM90S | DLRF06DM200L | DLRF06DM90S |
| DLR06DM90L | DLR06DM160L | DLRF06DM90L |
| DLR06DM100M | DLR06DM180M | DLRF06DM100M |
| DLR06DM100L | DLR06DM180L | DLRF06DM100L |
| DLR06DM112M | DLR06DM200L | DLRF06DM112M |
| DLR06DM132S | DLRF06DM132M | DLRF06DM132S |
| DLR06DM132M | DLRF06DM132L | DLR06DM160M |
| DLR06DM132L | DLRF06DM160L | DLRF06DM160M |
下一篇:DLR07系列齒輪減速機型號上一篇:DLR05系列斜齒輪減速機型號
















